1/1
浏览量:
1000
详细介绍
特点
技术指标
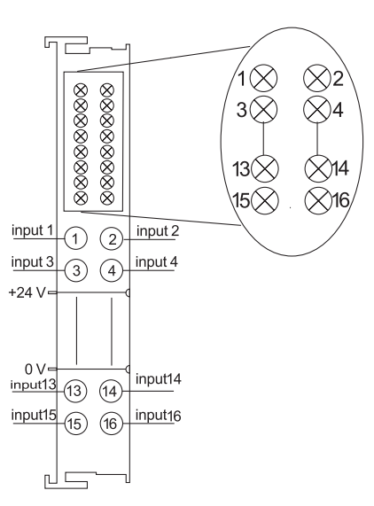
接线图
外形尺寸图
模块类型:
I/O模块
信号类型:
数字量输入
数字量输入模块是用来采集现场的数字量信号,其中PM-16DI-P是16通道PNP型(高电平有效)。


