1/1
浏览量:
1000
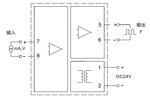
DA-71模拟量转频率信号隔离器(一入一出)
● 24V供电,输入 、输出、电源,三端口全隔离
● 易连接,低功耗,长寿命。也可做模拟量信号转频率信号。
零售价
0.0
元
市场价
0.0
元
浏览量:
1000
数量
-
+
库存:
0
1








