1/1
浏览量:
1000
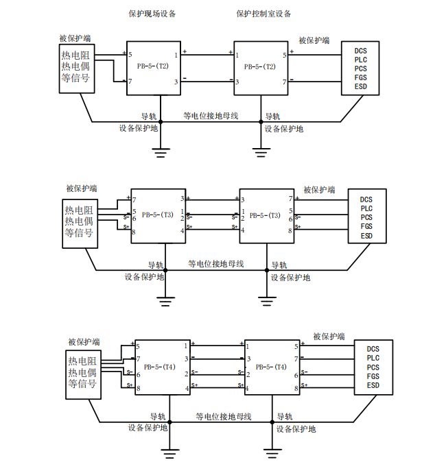
PB-5 5V电压系统浪涌保护器
● 高达10kA(8/20us)抗浪涌能力
● 端子接地,通过DIN35mm导轨安装
零售价
0.0
元
市场价
0.0
元
浏览量:
1000
关键词:
浪涌保护器
数量
-
+
库存:
0
1


