1/1
浏览量:
1000
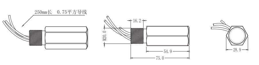
PB-24-EX 现场安装防爆型信号浪涌保护器
● 依据IEC/GB/SH标准设计,抗腐蚀不锈钢外壳
● 螺纹规格M20×1.5、1/2NPT、G3/4、PG13.5等
● 2线、3线、4线全模保护设计
零售价
0.0
元
市场价
0.0
元
浏览量:
1000
数量
-
+
库存:
0
1





