1/1
浏览量:
1000
背板式集中输出隔离器、安全栅
零售价
0.0
元
市场价
0.0
元
浏览量:
1000
数量
-
+
库存:
0
1
详细介绍
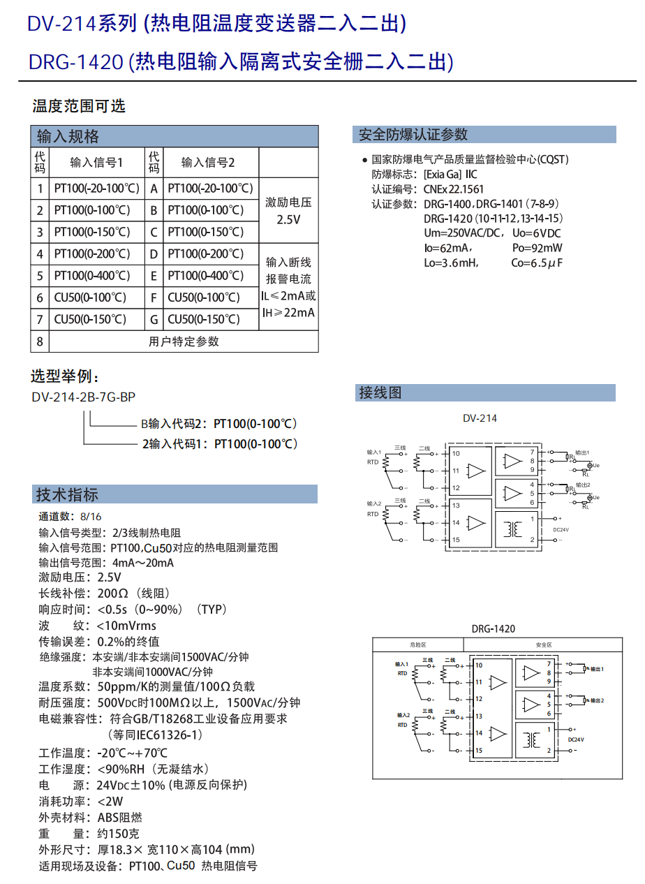
模拟量输入
模拟量输出
热电阻输入
热电偶输入
接口定义
线缆规格
内部原理
背板尺寸
底板安装式隔离器&隔离式安全栅,采用标准产品+底板组合形式,可以独立安装使用亦可配合底板使用。系列产品适用于控制点数多的项目,其具备产品热插拔安装及易于更换的特点,便于客户使用;采用总线电缆集成技术,大量减少机柜间的接线施工。安全栅底板可匹配各大主流系统,如:Honeywell、Emerson、HiMa、中控、和利时等,该系列产品已获得功能防爆等相关认证。
上一个:
无
下一个:
无








