1/1
浏览量:
1000
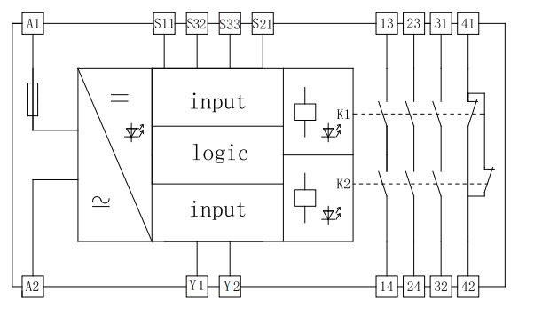
PASR-9000S适用于双手启动
零售价
0.0
元
市场价
0.0
元
浏览量:
1000
数量
-
+
库存:
0
1






